• Rabattkod i kassan - Villaspa ger dig 5%
  • Fri frakt från 1000 kr!
  • Betala med Swish, faktura eller kontokort

Sirem PB 1C 250 L4B

0 kr

Dessa pumpar säljs även under andra varumärken (t.ex. ASD och Stratos).


Läs mer

100743 Sirem
  • Rabattkod i kassan - Villaspa ger dig 5%
  • Fri frakt från 1000 kr!
  • Betala med Swish, faktura eller kontokort

Liknande produkter

Sirem PB 1C 285 L4B
Sirem Spabad Sirem PB 1C 285 L4B
0 kr
Sirem PHy 1C 260 G4B
Sirem Spabad Sirem PHy 1C 260 G4B
0 kr
Sirem PBY 1C 270 L4B - UTGÅTT
Sirem PB 1C 285 N4B
Sirem Spabad Sirem PB 1C 285 N4B
0 kr
Sirem PHy 1C 270 G4B
Sirem Spabad Sirem PHy 1C 270 G4B
0 kr
Sirem PB 1C 270 N4B
Sirem Spabad Sirem PB 1C 270 N4B
0 kr

Beskrivning av Sirem PB 1C 250 L4B

Dessa pumpar säljs även under andra varumärken (t.ex. ASD och Stratos).

  • PB1C 250 L4B (560W); Hmax 10m, Qmax 10m3/h
  • PB1C 270 L4B (900W); Hmax 14m; Qmax 14m3/h
  • PB1C 285 L4B (1150W); Hmax 15m; Qmax 22m3/h

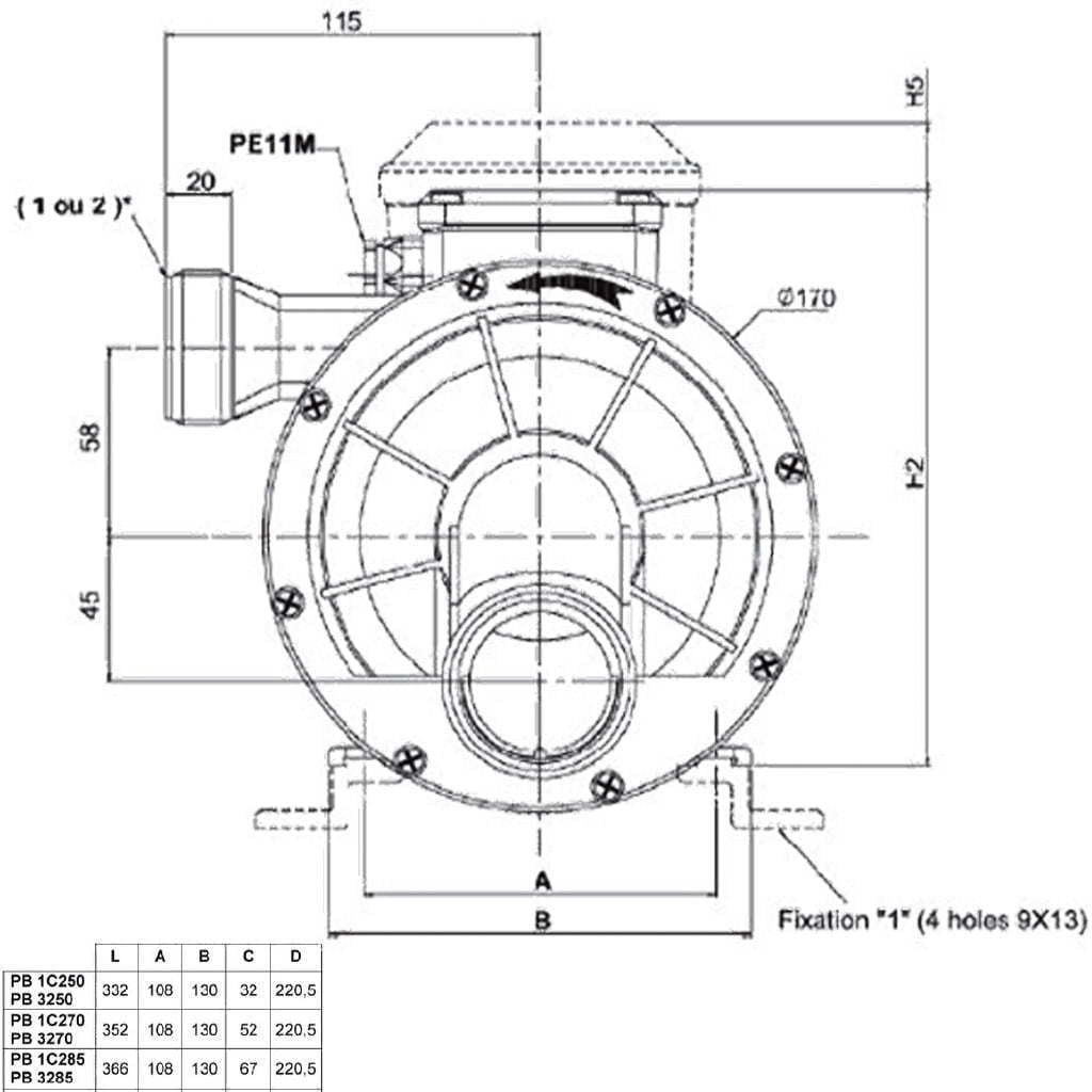
Typiskt för dessa pumpar är den fina gängan samt att det är olika diametrar på sug-och trycksidan.

Som framgår av Bild samt Ritning så kan man rotera anslutningarna till sug- och trycksidan i förhållande till motorn.

Levereras med anslutningskabel, kopplingar och pneumatiska brytare kan beställas som tillval.

Trycksidan 1.5 tum (ca 47mm), sugsida 2.25 tum (ca. 65mm). Välj bland de alternativ som krävs av alla anslutningar. Se bilder för mer information om möjliga anslutningar.

OBS! För många pumpar kan vi ordna reservdelar som t.ex. nya pumphus eller axeltätningar. Tyvärr är Sirem pumparna tillverkade på ett sådant sätt att det inte går att montera isär dem utan att ha sönder dem. Av den anledningen kan vi bara leverera kompletta pumpar.

Vikt 12 kg

Vikt 12 kg